Kawasaki川崎控制柜1TR電源程序板50999-2924R02維修

1TR電源程序板功能:
1、連接外部安全電路;
2、檢測安全電路的狀態;
3、檢測安全電路(F1)的保險絲是否燒斷;
4、監控控制器內部溫度,并在溫度高時,檢出錯誤;
5、檢查安全電路是否正常,并通知主CPU板50999-0137板;
6、通知來自AVR的主電源異常給主CPU板50999-0137板,并監控 AVR 產生的直流電源;
7、當檢測到外部電源和直流電源異常時,關斷 AVR 電源的輸出;
8、設置安全電路數目(標準為雙電路)。同時,需要對 MC 供電單元的跳線進行對應的改變;
9、設置在變換“HOLD/RUN”(選件開關)為“HOLD”以后,關斷馬達電源(硬件后備)的時間;
10、把選件操作面板的開關輸入狀態通知給主CPU板50999-0137板。另外,打開選件操作面板的指示燈;
11、可以安裝兩快選件子板;
12、內裝有使限位開關功能無效的開關。







開關功能和設定
SW1(使限位開關功能無效的開關) :把此按鈕按住不放時,限位開關功能無效;
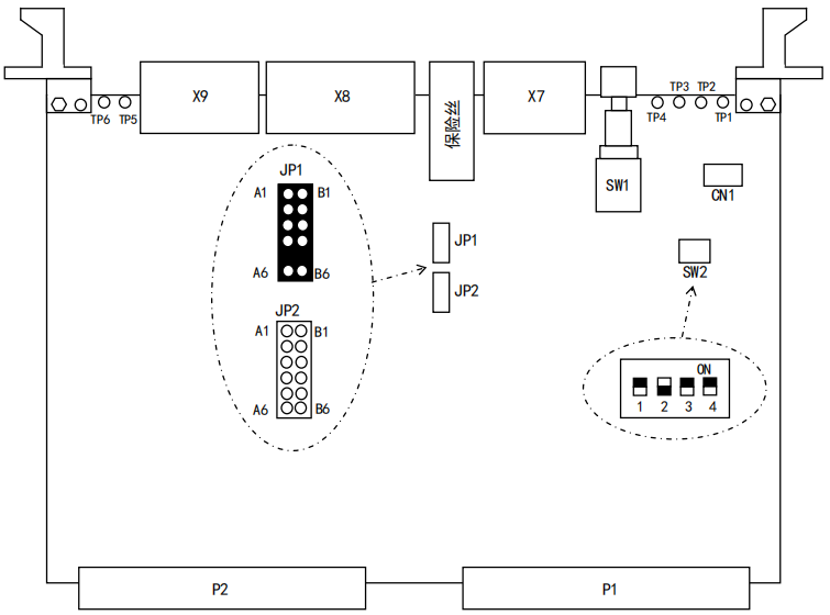
SW2-1:設定安全電路數目。(ON(開):單電路,OFF(關):雙電路);
SW2-2:設定 HOLD(暫停)后備時間 (ON(開):2 秒,OFF(關):未設置);
SW2-3:未使用;
SW2-4:未使用。
X7:外部緊急停止輸入;
X8:安全圍欄,外部握桿觸發輸入,示教狀態輸出;
X9:外部控制器電源開,外部電機開,外部暫停輸入,IO 24V 輸出;
P1:系統總線;
P2:緊急停止,示教/再現等的安全電路輸入/輸出;
CN2:用于 12V 電源供應的連接器(選件);
CN3,CN4:選件板的連接器;
CN10:三菱 SSC-NET 緊急停止輸出。
跳腳CN1:用于調試;
跳線 JP1:監控操作面板/示教器的緊急停止;
跳線 JP2:不監控操作面板/示教器的緊急停止。
發光管顯示
LD1(OPEMG):操作面板的“緊急停止”工作狀態(正常時:滅,緊急停止時:亮);
LD2(TPMEG):示教器的“緊急停止”工作狀態(正常時:滅,緊急停止時:亮);
LD3(EXEMG):外部“緊急停止”工作狀態(正常時:滅,緊急停止時:亮);
LD4(PSERR):發生電源程序錯誤(正常時:滅,出錯時:亮);
LD5(WDERR):發生總線訪問看狗錯誤(正常時:滅,出錯時:亮);
LD6(+3.3V):供應+3.3V 電源(正常供電時:亮);
LD7(+5V):供應+5V 電源(正常供電時:亮);
LD8(+12V):供應+12V 電源(正常供電時:亮);
LD9(+24V):供應+24V 電源(正常供電時:亮);
LD10(ACCESS):訪問系統總線(正常時:亮)。
